杠杆炒股app下载-杠杆配资app-【东方资本】,股票怎么写代码量化,线上股票配资网站是什么,在线配资系统搭建

全國服務熱線:400-7362-588   

搜索
搜索
確認
取消

產品與解決方案

/
/
/
GWJ系列無功功率補償柜
全部分類

快速查找產品

歡迎咨詢 ·就趁現在

電話咨詢:

GWJ系列無功功率補償柜

01

01

  • 詳細描述
  • 原理及特性
  • 型號定義及選型說明
  • 一次方案
  •   使用范圍

      GWJ系列無功功率補償柜適用交流頻率50Hz,額定電壓10kV母線及以下配電系統進行功率因數補償,也適用于異步電動機的就地功率因數補償,達到功率因數自動調整,減少無功損耗,穩定電網電壓,減小電網奇次諧波,提高供電質量。

      廣泛應用于電力、機械制造、汽車、冶金、煤礦、化工、油田、電氣化鐵路等行業交流電力系統。

    1

    •   工作原理及特點

        在感性電路中,電流矢量滯后電壓矢量90°,而在容性電路中,電流矢量超前電壓矢量90°,所以在以感性負載為主的電路中并聯電容器,其電流矢量方向相反,無功分量能相互抵消,從而提高局部電網的功率因數,達到節能和提高電網質量的目的。

        GWJ-J系列采用接觸器分組投切方式,根據功率因數高低自動控制電容器投切,使功率因數達到設定要求;

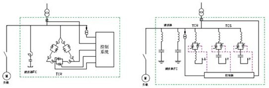
        GWJ-D系列動態無功補償裝置有TCR+TSC方式,也可單獨TCR形式和單獨TSC方式,TCR+TSC方式主要由相控電抗器、濾波器組和控制系統組成。

        1.無涌流:由控制器選擇電壓過零的時刻發出脈沖信號,晶閘管閥組在電壓過零的時刻導通,電容器電壓由零開始,不過渡過程,不會產生涌流,并能在方均根值不超過1.0×1.30In的電流下連續運行。

        2.無過電壓:電容器組的關斷基于晶閘管反向阻斷電流過零自然關斷,不會產生常規短路器和接觸器固有的切除載流過電壓,裝置的連續運行電壓為1.05Un,且能在下表所規定的穩態過電壓下運行相應的時間。

        3.適應能力強:實行三相或分相動態補償,適用于不對稱負載或者沖擊性負載。

        4.動態反應速度快:控制器實施跟蹤測量負荷的功率因數,與預先設定的給定值進行比較,動態控制投切不同組數的電容器(動態響應時間小于15ms),以保證功率因數始終達到設定要求。

        5.系統抗干擾能力強:采用光電觸發方式,保證了高低壓電路的有效隔離,抗干擾能力強,觸發同步性好,運行安全可靠。

        6.使用壽命長:晶閘管開關由于其不存在機械動作,可以長期使用,使用壽命不低于25年,一般更長。接觸器投切電容器組容易燒損合閘線圈、分閘線圈,需要不時更換。

        7.免維護:晶閘管開關無油、無氣、無易損部件,可以長期使用免維護,對于重污穢地區可能需要定期打掃衛生。

        8.補償效果好:能夠實時動態的補償無功,抑制諧波,抑制電壓閃變,降低網損和變壓器損耗,增加變壓器帶載容量。

    •   產品規格

      1

    •   一次方案

      1

      1

      1

 GBRQ系列變頻軟起動器
GBRQ系列變頻軟起動器
公司引進消化美國艾默生公司的電力電子技術,研發生產的GBRQ系列高壓變頻軟起動器。它采用SPWM(SinusoidalPWM)控制技術,是將三相固定電壓和頻率的電能輸入(10kV或6kV,50Hz)轉化為可調電壓和頻率的電能輸出的交流電氣傳動設備,用于高壓交流感應電動機的起動,可以通過采用V/F控制模式或矢量控制模式,將電機拖動至工頻轉速,切換到工頻運行。利用干式變壓器短時過載能力強的特點而減少了干式變壓器的額定容量,節省了增容改造費用和綜合投資費用,節約了成本。
 GSDQ水電阻軟起動器系列
GSDQ水電阻軟起動器系列
GSDQ系列水電阻軟起動器,主要適用于3、6、10KV額定工作電壓,功率范圍在200—30000KW的三相感應式鼠籠型異步、同步電動機的起動與保護裝置。將水電阻串接于電動機的定子回路中,作降壓限流元件。可廣泛應用于建材、冶金、礦山、石油化工、水利等行業的球磨機、軋鋼機、破碎機、提升機、風機、水泵等電動機的起動。尤其適用于電網容量不足的工礦企業。
 GDKQ系列高壓電抗起動柜
GDKQ系列高壓電抗起動柜
GDKQ系列高壓電抗起動柜
 GZDW直流屏
GZDW直流屏
直流屏是GZDW智能電力操作電源系統的簡稱,由充電屏和電池屏組成。主備兩路交流電源經過雙路交流切換裝置輸入后,由高頻開關充電模塊將三相交流電轉換為直流電,給合閘負載和控制母線供電,同時給免維護蓄電池充電。當市電斷電或異常時,由蓄電池放電應急供電。可靠滿足輸配電系統正常或非正常狀態下的直流控制電源和高低電壓開關分合閘的供電需求。  本裝置采用模塊化設計和冗余配置,將當今直流領域先進的高頻開關電源與PLC、觸摸屏控制相組合,實現新一代無人值守直流電源產品。運行可靠,自動化程度高,操作方便。  廣泛應用于電力、石化、冶金、紡織、礦山、鐵路等領域,為工礦企業變電所及配電室高低壓及二次設備提供穩定可靠的直流電源。
 SDQ系列水電阻軟起動器
SDQ系列水電阻軟起動器
SDQ系列水電阻軟起動器,主要適用于三相交流50Hz,額定工作電壓為380V 、3KV、6KV、10KV,額定功率75KW以上的繞線式異步電動機的軟起動裝置。
 GDCQ電磁調壓軟起動系列
GDCQ電磁調壓軟起動系列
克服當前電力電子器件耐高電壓的技術瓶頸,成功的將低壓軟起動技術拓展到高壓電動機軟起動領域,為廣大用戶提供一種高性價比、高控制精度、高穩定性、高可靠性的高壓電動機軟起動控制設備。  產品廣泛適用于建材、冶金、礦山、石油、化工、電力、造紙、水利、市政等行業。
 FZS水負載裝置
FZS水負載裝置
適用范圍  主要適用于10000kVA以下各類發電機組負載試驗
 DGQ系列(交流電動機)低壓固態軟起動器
DGQ系列(交流電動機)低壓固態軟起動器
DGQ-C系列智能軟起動控制裝置是專門為各種行業中不同功率的低壓異步電動機的起停而設計的。該裝置控制系統以DSP為控制核心,采用電機控制算法理論及電力電子技術,實現了裝置全數字化自動控制,使它具有很強的抗干擾能力,不會產生無故障停機現象。為了增加裝置的適用性、方便性,系統設計了交流接觸器旁路運行及無交流接觸器本機運行方式可供選擇,在起動方式上它具有電壓斜坡起動、限流起動等多種方式,而停機方式有自由停機、軟停機、剎車制動可供選擇,可適應各種載荷電機的控制需要。
 VDK系列真空斷路器
VDK系列真空斷路器
大禹電氣科技股份有限公司系國家重點火炬計劃高新技術企業,新三板股票代碼430386。公司專業研發、設計、制造各種大中型電動機軟起動裝置、變頻調速節能裝置、電力系統功率補償裝置、高低壓成套設備和電真空器件等工業電器產品,是同行業中涵蓋純電阻式、電力電子式、電磁式以及變頻軟起動多種起動產品的廠家。在電機節能控制領域,公司GBT-MV系列高壓變頻器科研與國際頂尖科技同步,無刷雙饋變頻調速系統通過湖北省科技廳成果鑒定。

TOP

大禹電氣科技股份有限公司

分享

版權所有: 大禹電氣科技股份有限公司    鄂ICP備11003701號-3

電話:0712-2883450   地址:湖北孝感市航天大道2號

大禹電氣科技股份有限公司